|
|
|
|
|
|
Главная >Продукция >TZN1-12/M
|
|
|
|
|
|
TZN1-12/M вакуумный выключатель
|
|
|
Общие сведения
Вакуумные включатели среднего напряжения внутренней установки серии TZN1-12/М, с электромагнитным приводом используются в закрытых распределительных устройствах 12 кВ, промышленной частоты 50 (60) Гц.
В случае использования вакуумных включателей среднего напряжения серии TZN1-12/М в КРУ наружной установки, конструкция КРУ должна предусматривать защиту электрических аппаратов и всех электрических соединений от воздействия окружающей среды (дождя, снега, тумана, пыли).
Вакуумный выключатель среднего напряжения с литым полюсом серии TZN1-12/М подходит для частых операций, большая механическая надежность циклов вкл. до 30 000 раз, механическая работоспособность электромагнитов до 100000 раз, отключение токов короткого замыкания до 275 раз , раз может использоваться в распределительных сетях, на электростанциях, в металлургической, нефтехимической , нефтяной и газовой промышленности, а также в транспортной инфраструктуре (железнодорожного и авиатранспорта, метро и др.).
|
|
Главные особенности
- малый размер,
- легкий вес,
- надежная работа,
- долговечность,
Условия эксплуатации
- температура окружающей среды -15°С ~ +40°С (при более низкой температуре необходимы подогревательные элементы в КРУ или помещении где находится распределительное устройство, которые должны обеспечить подогрев воздуха не ниже вышеуказанной температуры на все время работы выключателей)
- высота над уровнем моря до 1000 м
- относительная влажность окружающего воздуха при температуре +25° С: среднесуточная относительная влажность <= 95%, среднемесячная относительная влажность <= 90%;
- окружающая среда взрывобезопасная, тип атмосферы II.
- если условия эксплуатации отличаются от выше перечисленных , необходимо проконсультироваться с представителем компании Tellhow.
Технические характеристики
| № |
Наименование параметров |
Ед.измерения |
Величина |
| 1 |
Номинальное напряжение |
кВ |
10 |
| 2 |
Наибольшее рабочее напряжение |
12 |
| 3 |
Номинальное испытательное имульсное напряжение |
75 |
| 4 |
Номинальное испытательное напряжение промышленной частотой |
42 |
| 5 |
Номинальный ток |
А |
630;1250;1600;2000;3150;4000 |
| 6 |
номинальный ток отключения |
кА |
20;25;31,5;40 |
| 7 |
Ток электродинамической стойкости |
50;63;80;100 |
| 8 |
Ток термической стойкости |
20;25;31,5;40 |
| 9 |
Число отключений номинального тока короткого замыкания |
раз |
50;30 |
| 10 |
Время протекания тока короткого замыкания |
сек. |
4 |
| 11 |
Номинальная рабочая последовательность |
|
О-0,3с-СО-180с-СО |
| 12 |
Механическая надежность |
число вкл. |
30000 |
| 13 |
Время собственного включения |
мс |
не более 75 |
| 14 |
Время собственного отключения |
не более 65 |
| 15 |
Время горения дуги |
не более 15 |
| 16 |
Время полного отключения |
не более 65 |
| 17 |
Номинальное напряжение вточных цепей |
В |
AC-110;220 DC-110;220 |
| 18 |
Диапазон напряжения во вторичных цепях |
% |
0,85...1,2 |
| 19 |
Мощность электромагнита включения |
Вт |
330 |
| 20 |
Мощность электромагнита отключения |
330 |
| 21 |
Межполюсное расстояние |
мм |
210;275 |
| 22 |
Конструктивное исполнение |
|
стационарный; выкатной |
| 23 |
Срок до списания |
лет |
25 |
Габаритно-установочные размеры
- Выдвижной выключатель 630-1600А
Номинальный ток Диаметр контакта |
Ток термической стойкости |
Межфазное расстояние |
А1 |
А2 |
В |
К |
| 630А |
1250А |
25кА, 31,5кА |
210 |
638 |
598 |
652 |
681 |
| 35 |
49 |
- Выдвижной выключатель 1600-3150А
Номинальный ток Диаметр контакта |
Ток термической стойкости |
Межфазное расстояние |
А1 |
А2 |
В |
К |
| 1600A |
2000A |
2500A, 3150A |
31,5кА; 40kA |
275 |
838 |
590 |
852 |
880 |
| 55 |
79 |
109 |
- Стационарный выключатель 630-1600А
| Номинальный ток |
Ток термической стойкости |
Р |
А1 |
А2 |
А3 |
К |
| 630A, 1250A |
25kA, 31.5kA |
210 |
520 |
588 |
121.5 |
275 |
- Стационарный выключатель 1600-3150А
| Номинальный ток |
Ток термической стойкости |
Р |
А1 |
А2 |
B |
К |
| 1600А, 2000А, 2500А, 3150А |
20кА, 25кА, 31,5кА |
275 |
720 |
770 |
121,5 |
275 |
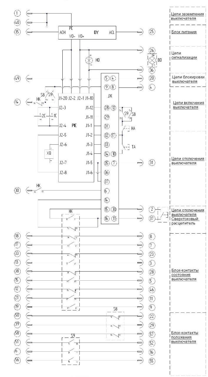
Смеха электрическая принципиальная выключателя TZN1-12/M
Выдвижной выключатель
| DY |
блок питания |
| PIE |
контроллерный модуль |
| JX |
программируемый контроллерный блок |
| HD,BD |
аварийная сигнализация |
| 1С, 2С |
конденсаторы |
| XQ |
электромагнитный привод выключателя |
| HА |
местная кнопка включения |
| TА |
местная кнопка отключения |
| QF |
блок-контакты выключателя |
| S8 |
блок-контакты контрольного положения трэка |
| S9 |
блок-контакты рабочего положения трэка |
Примечание:
- Положение элементов на схеме соответствуют состоянию выключатель "Отключен".
- Элементы в прямоугольнике с пунктирными линиями устанавливает покупатель
- Если не хотите использовать блокировку при низком напряжение, удалите соединение JX:37 и PIE :8
- Не подавайте напряжение на вход 2 и 37( подается сухой контакт).
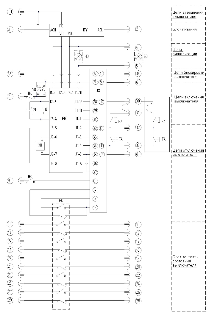
Стационарный выключатель
| DY |
блок питания |
| PIE |
контроллерный модуль |
| JX |
программируемый контроллерный блок |
| HD,BD |
аварийная сигнализация |
| 1С, 2С |
конденсаторы |
| XQ |
электромагнитный привод выключателя |
| HА |
местная кнопка включения |
| TА |
местная кнопка отключения |
| HK |
блок-контакты выключателя |
| S8 |
блок-контакты контрольного положения трэка |
| S9 |
блок-контакты рабочего положения трэка |
Примечание:
- Положение элементов на схеме соответствуют состоянию выключатель "Отключен".
- Элементы в прямоугольнике с пунктирными линиями устанавливает покупатель
- Если не хотите использовать блокировку при низком напряжение, удалите соединение JX:37 и PIE :8
- Не подавайте напряжение на вход 2 и 37( подается сухой контакт).
|
|
|
|
|
|