|
|
|
|
|
|
Главная >Продукция >TZN1C-12
|
|
|
|
|
|
TZN1C-12 вакуумный выключатель
|
|
|
Общие сведения
Вакуумные включатели среднего напряжения внутренней установки серии TZN1С-12, с моторо- пружинным приводом используются в закрытых распределительных устройствах 12 кВ, промышленной частоты 50 (60) Гц.
Вакуумный выключатель серии TZN1C-12 применяется в малогабаритных комплектных распределительных устройствах (КРУ) внутренней установки 12 кВ и в камерах одностороннего обслуживания (КСО) 12кВ.
Вакуумный выключатель серии TZN1C-12 с поперечным расположением литых полюсов, это продукт нового поколения.
|
|
Главные особенности
- малый размер,
- влагозащищенный,
- высокая изоляционная стойкость,
- пылезащищенный,
- удобство обслуживания
- использование в схемах с дешунтированием.
Применение вакуумных выключателей серии TZN1C-12 с поперечным расположением полюсов при изготовлении комплектных распределительных устройства (КРУ) внутренней установки 12 кВ и камерах одностороннего обслуживания (КСО) 12кВ позволяет достичь меньших габаритов этих изделий по фасаду
Условия эксплуатации
- температура окружающей среды -15°С ~ +40°С (при более низкой температуре необходимы подогревательные элементы в КРУ или помещении где находится распределительное устройство, которые должны обеспечить подогрев воздуха не ниже вышеуказанной температуры на все время работы выключателей)
- высота над уровнем моря до 1000 м
- относительная влажность окружающего воздуха при температуре +25° С: среднесуточная относительная влажность <= 95%, среднемесячная относительная влажность <= 90%;
- окружающая среда взрывобезопасная, тип атмосферы II.
- если условия эксплуатации отличаются от выше перечисленных , необходимо проконсультироваться с представителем компании Tellhow.
Технические характеристики
| № |
Наименование параметров |
Ед.измерения |
Величина |
| 1 |
Номинальное напряжение |
кВ |
10 |
| 2 |
Наибольшее рабочее напряжение |
12 |
| 3 |
Номинальное испытательное имульсное напряжение |
75 |
| 4 |
Номинальное испытательное напряжение промышленной частотой |
42 |
| 5 |
Номинальный ток |
А |
630;1250 |
| 6 |
Номинальный ток отключения |
кА |
20;25;31,5 |
| 7 |
Ток электродинамической стойкости |
50;63;80 |
| 8 |
Ток термической стойкости |
20;25;31,5 |
| 9 |
Число отключений номинального тока короткого замыкания |
раз |
50;30 |
| 10 |
Время протекания тока короткого замыкания |
сек. |
4 |
| 11 |
Номинальная рабочая последовательность |
|
О-0,3с-СО-180с-СО |
| 12 |
Механическая надежность |
число вкл. |
20000;10000 |
| 13 |
Время собственного включения |
мс |
не более 100 |
| 14 |
Время собственного отключения |
не более 50 |
| 15 |
Время горения дуги |
не более 15 |
| 16 |
Время полного отключения |
не более 65 |
| 17 |
Номинальное напряжение вточных цепей |
В |
AC-110;220 DC-110;220 |
| 18 |
Диапазон напряжения во вторичных цепях |
% |
0,85...1,2 |
| 19 |
Мощность электромагнита включения |
Вт |
302 |
| 20 |
Мощность электромагнита отключения |
302 |
| 21 |
Межполюсное расстояние |
мм |
210 |
| 22 |
Конструктивное исполнение |
|
стационарный |
| 23 |
Срок до списания |
лет |
25 |
Габаритно-установочные размеры
- Стационарный выключатель
| Номинальный ток |
630А |
1250А |
| Ток термической стойкости |
20кА, 25кА, 31,5кА |
20кА, 25кА, 31,5кА |
| Межфазное расстояние |
210 |
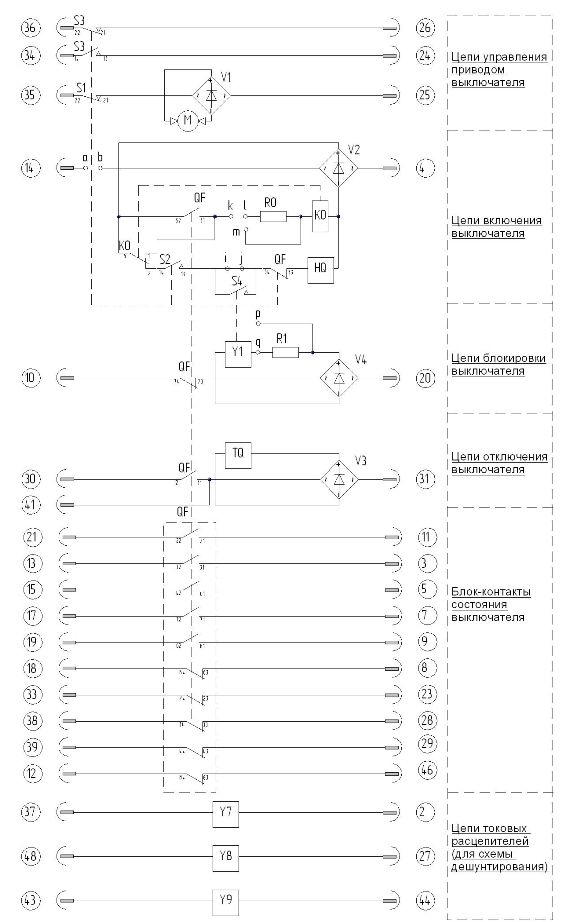
Схема электрическая принципиальная выключателя TZN1C-12
Стационарный выключатель
| HQ |
электромагнит включения |
| TQ |
электромагнит отключения |
| Y1 |
электромагнит блокировки включения |
| M |
двигатель взвода пружины |
| QF |
блок-контакты выключателя |
| V1~V4 |
выпрямитель |
| KO |
реле блокировки от прыгания |
| SP1~SP3 |
микропереключатели взвода пружины |
| S4 |
конечный выключатель Y1 |
| S8 |
блок-контакты контрольного положения трэка |
| S9 |
блок-контакты рабочего положения трэка |
| RO~R1 |
резисторы |
| Y7~Y9 |
токовые расцепители фазы A,B, |
Примечание:
- Положение элементов на схеме соответствуют состоянию выключатель "Отключен" и привод не взведен.
- Дополнительные элементы -Y1, Y7,Y8,Y9 устанавливаются по требованию заказчика, в базовой версии они отсутствуют.
- Когда Y1 не заказывается S4 необходимо зашунтировать (соединить i и j).
|
|
|
|
|
|